|
www.rz-journal.de - © by Franz Steckermaier und Perry Rhodan - published in PR 372 LKS - Abdruck mit freundlicher Genehmigung der Pabel-Moewig Verlag KG, Rastatt Die Verwendung der Zeichnungen auf einer eigenen Homepage ist nur mit Genehmigung des Zeichners, des Verlages und unter Benennung der Bezugsquelle und des Copyrightinhabers gestattet. Verlinkung sind nur auf die Originalquelle zulässig. |

|
Terranische
Waffentechnik |
|
|
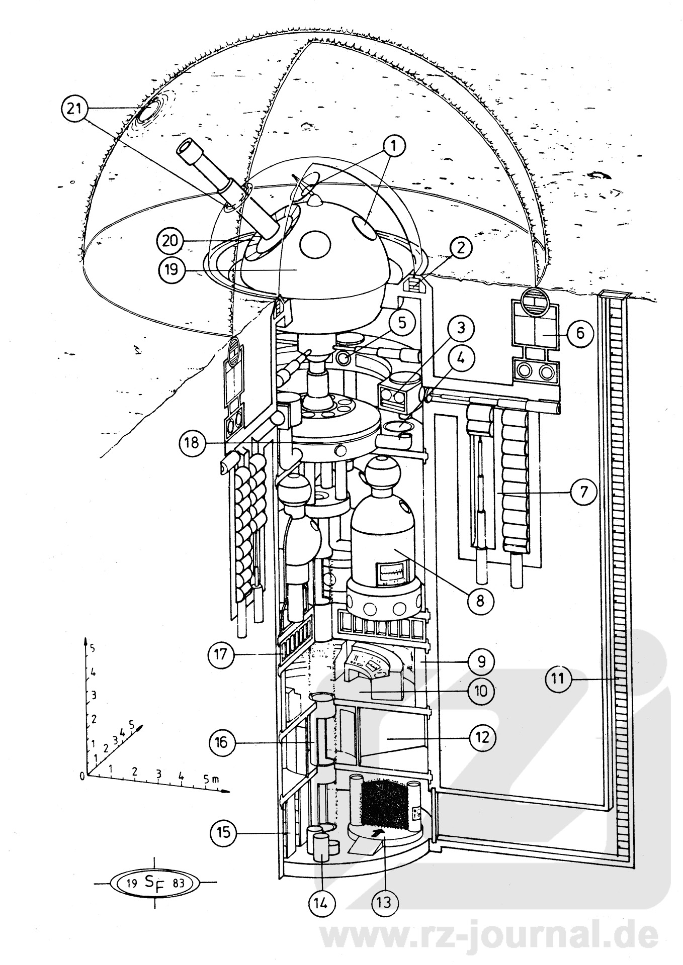
Allgemeines: Diese Stationen wurden von der Solaren Flotte am Anfang des 25. Jahrhunderts auf Kolonialplaneten installiert, um im Ernstfall Siedlungen, Bergwerke, Raumhäfen und andere Flottenstützpunkte zu sichern. Die Außenzellen dieser Stationen bestehen aus widerstandsfähigem Terkonitstahl, der außerdem Energieemissionen hervorragend abschirmt. Aus diesem Grund konnten die Stützpunkte bisher von z. B. angreifenden Springer-Piraten nur sehr schwer geortet werden. Trotz ihrer geringen Ausdehnung weisen die Geschütze eine beachtliche Schlagkraft und Reichweite auf. Über ein Transmittersystem können die Stationen innerhalb weniger Minuten von planetaren Flottenbasen aus bemannt werden. Starke Schutzschirme sorgen für größtmögliche Sicherheit der Besatzung bei einem direkten Angriff. |
|
|
|
|
|
|
|
Zeichnung und Text: Franz Steckermaier '83 |
|